|
Общие электросхемы CR-V 02-04 г.в. для рынка Европы. На русском языке. Большинство схем применимы и к "американкам" и к "рестайлинговым" CR-V 05-06 годов выпуска.
Применимость схем указана по каждой части. Ниже выложу недостающие схемы для "рестайлинга" и "американок". Тема будет пополняться!
|
| Часть 1. Стартер, генератор, замок зажигания, катушки зажигания. |
 |
|
Часть 2. Приборная панель (только 02-04 г.в.): стрелочные приборы, индикаторы, управление яркостью подсветки.
|
 |
|
Часть 3. Приборная панель (только 02-04 г.в.): индикаторы (в т.ч. ABS, SRS). На а/м для американского рынка присутствует индикатор круиз-контроля, на а/м для Европы вместо него индикатор передних ПТФ. На данной схеме изображены оба.
|
 |
|
Часть 4. Приборная панель (только 02-04 г.в.): индикаторы режима АКПП; датчик положения селектора АКПП, круиз-контроль.
|
 |
|
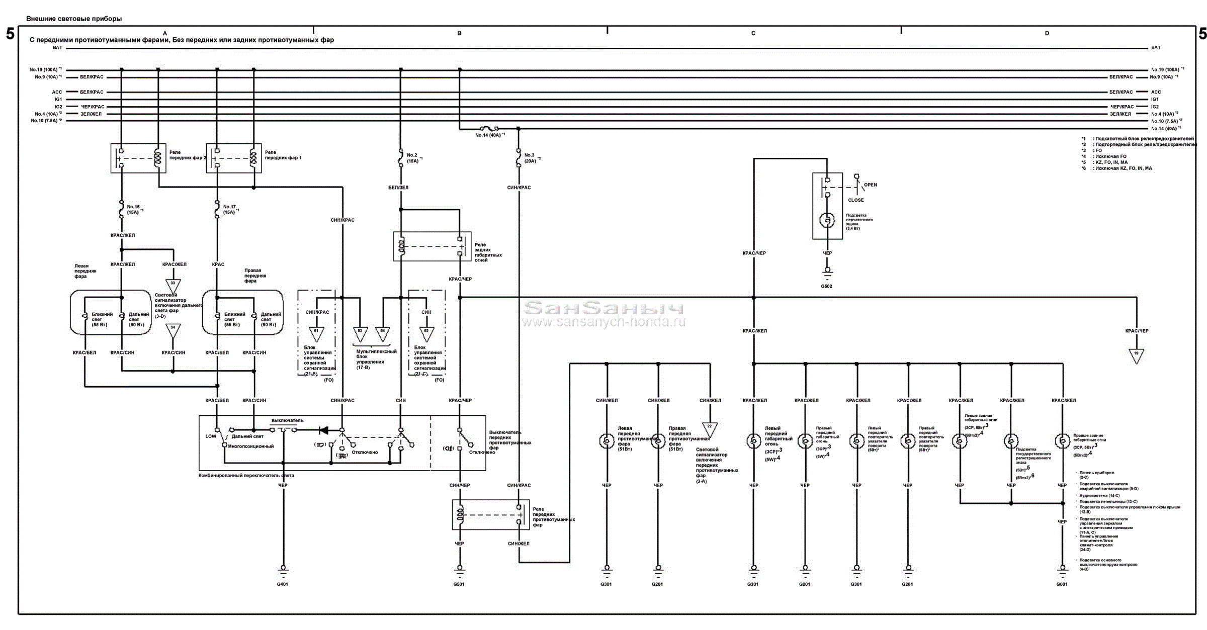
Часть 5. Головной свет (только 02-04 г.в.), габаритные огни (с оранжевыми "габаритами" для Америки), передние ПТФ (только для Европы), подсветка "бардачка".
|
 |
|
Часть 6. Головной свет (только 02-04 г.в.), габаритные огни (для Европы), управление задним ПТФ (только для Европы), подсветка "бардачка".
|
 |
|
Часть 7. Головной свет (только 02-04 г.в.), габаритные огни (для Европы), передние ПТФ и задний ПТФ (только для Европы), подсветка "бардачка".
|
 |
|
Часть 8. Головной свет с автоматическим включением ближнего света (только 02-04 г.в.), габаритные огни (для Европы), управление задним ПТФ (только для Европы).
|
 |
|
Часть 9. Фонари заднего хода, "стоп-сигналы", указатели поворота и аварийная сигнализация.
|
 |
|
Часть 10. Корректор фар (только для Европы), освещение салона, звуковые сигналы.
|
 |
|
Часть 11. Зеркала заднего вида: вариант с подогревом и вариант с приводом складывания.
|
 |
|
Часть 12. Привод люка, стеклоподъёмники (водительский с режимом AUTO вверх и вниз).
|
 |
|
Часть 13. Стеклоподъёмники (водительский с режимом AUTOтолько вниз), прикуриватель (для "американцев" 05-06 г.в. схема отличается) , розетка багажника, подсветка пепельницы.
|
 |
| Часть 14. Аудиосистема: варианты с навигацией и без навигации. |
 |
|
Часть 15. Подогрев сидений, омыватель фар.
|
 |
|
Часть 16. Стеклоочиститель/омыватель ветрового стекла, стеклоочиститель /омыватель заднего стекла.
|
 |
|
Часть 17. Мультиплексорная система (MCU): датчики уровня тормозной жидкости, стояночного тормоза, замка ремня безопасности водителя (только для Европы), датчики дверей, стекла багажника, блокировка ручки селектора АКПП, блокировка ключа зажигания, подсветка замка зажигания, управление прерывистым режимом переднего стеклоочистителя.
|
 |
|
Часть 18. Центральный замок с дистанционным управлением с системой "суперблокировки" (интегрирован в MCU
По моим сведениям в Европе таких комплектаций не было.
С 2005 года приёмник ДУ из отдельного блока переместился в блок иммобимлайзера.
|
 |
|
Часть 19. Центральный замок без "суперблокировки" (интегрирован в MCU).
С 2005 года приёмник ДУ из отдельного блока переместился в блок иммобилайзера.
|
 |
|
Часть 20. Сигнализация с центральным замком с системой "суперблокировки" (только 02-04 г.в.). На английском языке!
|
 |
|
Часть 21. Сигнализация без "суперблокировки" (только 02-04 г.в.).
|
 |
|
Часть 22. Блокировка ручки селектора АКПП и замка зажигания выполненная не в блоке MCU (для некоторых комплектаций), ABS(только 02-04 г.в.).
|
 |
|
Часть 23. SRS(только для Европы, только 02-04 г.в.).
|
 |
|
Часть 24. Климат-контроль (для Европы и Канады), обогрев заднего стекла.
|
 |
|
Часть 25. Блок управления двигателем (только для Европы 02-04 г.в.): бензонасос, форсунки, датчики и клапаны двигателя, управление катушками зажигания, диагностический разъём, иммобилайзер.
|
 |
|
Часть 26. Блок управления двигателем (только для Европы 02-04 г.в.), продолжение: датчики и клапаны двигателя.
|
 |
|
Часть 27. Блок управления двигателем (только для Европы 02-04 г.в.), продолжение: секция управления АКПП.
|
 |