| Система зарядки (генератор). |
 |
| Система охлаждения (вентиляторы). |
 |
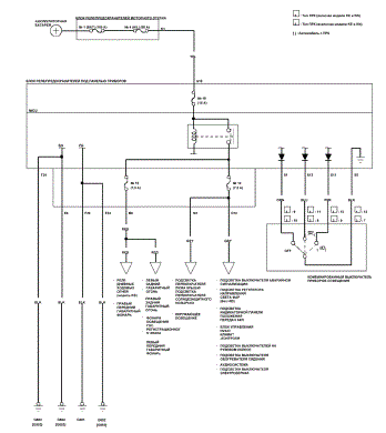
| Система отопления, вентиляции и кондиционирования без климат-контроля. |
 |
| Система отопления, вентиляции и кондиционирования с двухзонным климат-контролем. |
 |
|
Информационные связи:
Шина B-CAN
Шина F-CAN
K-line
|
 |
| Приборная панель (часть 1 из 2). |
 |
| Приборнпя панель (часть 2 из 2). |
 |
| Датчик давления масла. |
 |
| Звуковой сигнализатор (напоминание о стояночном тормозе, ремнях безопасности, включённом свете, ключе зажигания, превышении скорости). |
 |
| Звуковой сигнал (для комплектаций без штатной сигнализации). |
 |
| Звуковой сигнал (схема для комплектаций со штатной сигнализацией). |
 |
| Иммобилайзер. |
 |
| Головной свет с "дневным ближним"(галогеновые лампы) и габаритные огни. |
 |
| Головной свет с "дневным ближним" (ксеноновые лампы) и габаритные огни. |
 |
| Корректор фар "ручной". |
 |
| Автоматический корректор фар. |
 |
| Система адаптивного управления головным светом (AFS). Присутствовала в некоторых комплектациях. в Россию не поставлялись. |
 |
| Противотуманные фары (передние, задняя). |
 |
| Лампы задего хода. |
 |
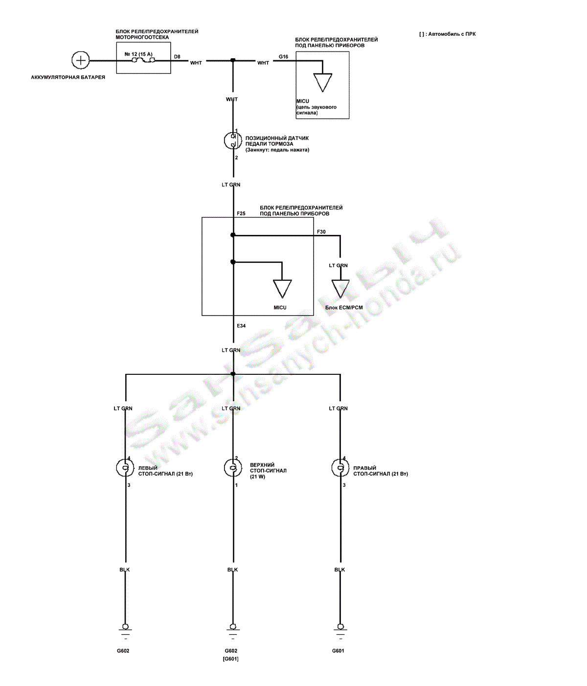
| "Стоп"-сигналы. |
 |
| Указатели поворота и аварийной сигнализации. |
 |
| Внутреннее освещение салона: потолочный плафон, точечные светильники, плафон салона, подсветка зеркал козырьков, подсветка вещевого ящика. |
 |
| Подсветка органов управления на панели. |
 |
| Наружные зеркала (подогрев, привод регулировки, привод складывания). |
 |
| Электростеклоподъёмники (с режимом "AUTO" передних стёкол). |
 |
| "Центральный замок" и сигнализация, часть 1: управление актуаторами, замок двери водителя, замок двери пассажира (не для всех комплектаций), приёмник ДУ. |
 |
| "Центральный замок" и сигнализация, часть 2: датчики дверей, элементы сигнализации: управление сиреной, концевой датчик капота, датчики замков. |
 |
| "Центральный замок" и сигнализация, часть 3: УЗ датчик сигнализации (в Россию не поставлялись), управление замками с суперблокировкой (в Россию не поставлялись). |
 |
| Боковые зеркала: подогрев, привод регулировок, привод складывания. |
 |
| Омыватель/стеклоочиститель ветрового стекла. |
 |
| Омыватель/стеклоосиститель заднего стекла. |
 |
| Омыватель фар (схема актуальна для 2007 г.в. - с 2008 г. схема претерпела существенные изменения). |
 |
| Электропривод регулировок водительского кресла. |
 |
| Электропривод регулировки поясничной опоры спинки водительского кресла. |
 |
| Подогрев передних кресел. |
 |
| Розетки аксессуаров (в комплектациях с прикуривателем он находится на месте переднего гнезда аксессуаров). |
 |
| ABS/VSA |
 |
| Аудиосистема с сабвуфером и гнёздами аудиовхода. |
 |
| Система громкой связи "hands-free". |
 |